Contents
What is a Micro SD Card?

Figure 1: An SD Card
The micro “Secure Digital” is a non-volatile memory card. It is the brainchild of the SDA organization, and it was primarily designed for use in portable electronic devices. Thus, the MicroSD card can store data even if the power supply is off.
Micro SD Card Pin Configuration

Figure 2: Man Inserting SD Card into a Mobile Phone
The MicroSD card has eight pins that feature different functions depending on whether they are in SD or SPI mode. Here’s a pinout breakdown.
MicroSD Card Features and Specifications

Figure 3: Inserting a 128GB SD Card into a Computer.
- They are available in various storage capacities, such as 4GB, 8GB, 16GB, etc.
- Also, it has a relatively small form factor as it measures approx. 1mm by 11mm by 15mm.
- It has a speed class between class 2 to class 10 and an average transfer/ interface speed of approximately 95MB/s.
- Fourthly, its operating voltage is between 2.7V to 3.3V and features the FAT12 and FAT16 storage systems.
- Lastly, it features an SDHC/SD/SDXC file system.
Types of Micro SD Cards

Figure 4: Different Types of Micro SD Cards
Most microSD cards share a similar physical interface but have various memory sizes. They include the following:
- Secure digital high capacity- MicroSDHC card
- Secure Digital Extended Capacity- MicroSDXC card and Ultra microSDXC
- Standard Digital- MicroSD.
How to choose MicroSD Cards?

Figure 5: An Ultraspeed SD Card
As you choose the best SD memory card, you must consider the following aspects:
- Its memory size or card size and its compatibility with your device’s communication protocol
- The card’s clock signal influences its overall speed and the primary use of the card.
Besides, checking if your mobile device features a designated card slot is imperative. The earliest devices, such as desktop computers, didn’t allow direct access to an SD card as they lacked card slots.
For Digital cameras and compact system cameras, it would be best to go for an Ultra High Speed (UHS) memory card. It also applies to personal computers designated for sophisticated applications.
How to use an SD card?

Figure 6: Using a MicroSD Card in a Digital Camera
Primarily, SD cards operate via two cardinal principles: the SD mode and the SPI mode.
Mobile devices and digital cameras are some consumer devices with physical interfaces to communicate with an SD card.
However, for communication between a microcontroller/development board and an SD memory card, the setup has to be in SPI mode. It includes communication with Arduino IDE, AVR, and PIC.
Interfacing Micro SD card Module with Arduino

Figure 7: SD Card Reader Writer Module for microcontroller board projects
It’s possible to interface the secure digital card module with a breakout board such as Arduino using the module’s SPI interface type. Thus, make the following connections as directed by the table below.
After connecting the secure digital card module to the Arduino IDE, it’s time to input the code. Check out the program from the Arduino IDE library by following these steps:
Next, on the Arduino IDE, run the code below, and it will read the data from the locked card you’re using.
Note that this code is easy to use as card initialization begins after you type the words I or Me on the serial monitor. Consequently, the serial monitor will output whether or not the initialization procedure has been successful.
Circuit Diagram of Micro SD card
You can use different class designs of Mirco SD cards with various class specifications of memory cards.
Example 1
In this example, electronic access to the standard disk is prone to electrostatic charges resulting from the user’s body. Thus, it is imperative to use EMI filters together with TVS Diodes to facilitate the filtration of the emitted and radiated rays during direct memory access.

Figure 8: Circuit Diagram
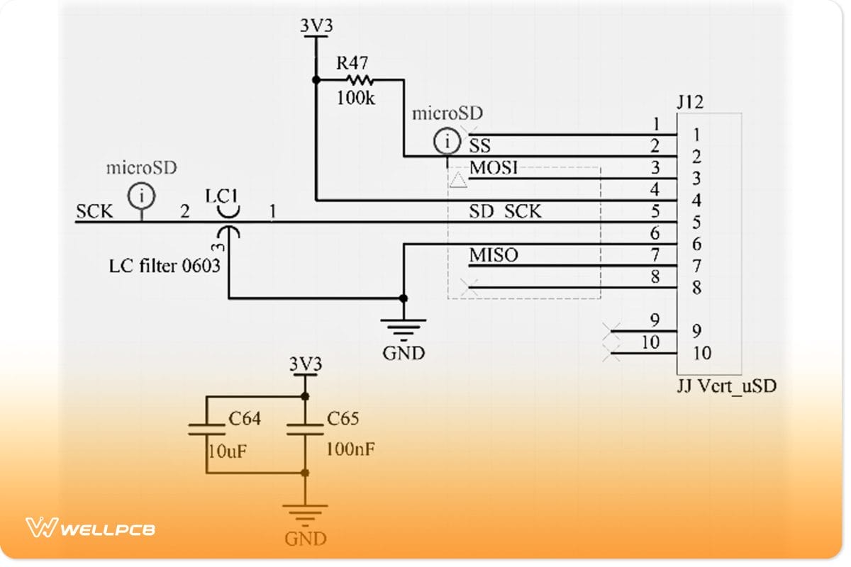
Example 2
The Second Secure digital card connection is as follows.

Figure 9: Circuit Diagram
Application

Figure 10: An MP3 Player
- Useful in Data logger systems for field communication
- Also valuable for MP3 player systems/ portable media players
- Audio file storage devices and digital cameras
- Graphical display card modules in mobile devices with a USB interface.
- MMC cards are also helpful in various devices that allow a USB card reader.
Conclusion
The earliest devices couldn’t use modern-day secure digital cards. But as we’ve explained above, the legacy MicroSD interface has made it possible to operate these multipurpose memory cards. For more information, contact us anytime.
