Blog
Truck Wiring Harness Manufacturers
Top Automotive Wire Harness Manufacturers
Custom Wire Harness Manufacturers
OEM Wire Harness Manufacturers
Robot Cable | Flexible Solutions for Robotic Cable and Automation
Cable Protection for Robotic Industry | Applications
Top Industrial Wire Harness Manufacturers | Custom Wire Harnesses
Top Aerospace Cable Assembly Manufacturers
Top Waterproof Cable Assembly Manufacturers
Top Appliance Wire Harness Manufacturers
Top Medical Cable Assembly Manufacturers
Robotics Cable Assembly Manufacturers | Robot Cable Solutions
RJ45 Connector: Pinout Guide & Applications (2026)
Elevating Your Products with Custom Wire Harness Solutions
Comprehensive Guide to Custom Wiring Harness
Top 10 Cable Manufacturers in the World
High-Performance Materials for Wiring Harnesses
Understanding Wiring Harness Components: Comprehensive Guide by WellPCB
Comprehensive Guide to Designing Electrical Wire Harnesses
Benefits of Custom Cable Assemblies in Manufacturing
Best Practices for Wire Harness Assembly in Aerospace Applications
How to Reduce Costs and Increase Efficiency with 3D Printing
Case Studies: How Businesses Are Using 3D Printing to Innovate
3D Printing for Custom Enclosures in Electronics: Enhancing Product Design and Functionality
Top 10 Industries Transforming with 3D Printing Technology
12 Benefits of Turnkey PCB Assembly Services for Entrepreneurs
The Ultimate Guide to 3D Printing Services for Large Enterprises and SMEs
Circuit Simulators: A Guide to the Top 13 Tools
FDM vs. SLA vs. SLS: Which 3D Printing Technology is Best for Your Business?
Integrating 3D Printed Components into PCB Design: Opportunities and Best Practices
What is 3D Printing? An In-Depth Overview for Business Owners
3D Printed Circuit Boards (PCBs): A Game Changer for Electronics Companies
3D Printing Software: Essential Tools for Business Success
The Complete Guide to 3D Printing Materials: What Your Business Needs to Know
EMI Shielding in PCB Design: Unlocking Efficient Circuits
6 Essential PCB Layout Guidelines for Great Designs
8 Expert PCB Design Tips for Reliable and Manufacturable Boards
Thermal Management PCB Materials: How to Enhance Heat Dissipation in PCB Designs
PCB Laminate Materials: Types, Properties and Considerations
7 Top-Quality PCB Fabrication Services and Companies
Essential PCB Trace Design Methods for High Performance
Exploring the Latest Advances in PCB Manufacturing Technology
Comprehensive Guide to High-Speed PCB Design
Comprehensive Guide to Industrial PCB Manufacturing
Comprehensive Guide to Flexible PCB Manufacturing
A Complete Guide to PCB Assembly Standards
The Ultimate Guide to Automated PCB Assembly
The Comprehensive Guide to PCB Manufacturing Process
Ensuring Top: Notch Quality in PCB Assembly: A Comprehensive Guide
PCB 101: Your Beginner’s Guide to Printed Circuit Boards
How to Correctly Understand The Ball Grid Array Soldering Technology
Step-by-Step Guide to Perfect PCB Silkscreens
Achieve Top Quality with Attractive Purple PCBs
An Ultimate Guide To Prototype & PCB Assembly Testing
Difference Between Single Phase and Three Phase
The Ultimate Guide To How To Achieve A Perfect HDI
Understanding the Differences between PWB and PCB
What You Need to Know About 4-Layer PCBs
Key Steps to Making DIY Circuit Boards
The importance of IPC-6012 and IPC-A-600 in PCB production
A Comprehensive Walkthrough on PCB Assembly Processes and Components
Top PCB Design Tools Guide(2025)
Mastering Your DIY Projects: A Comprehensive Guide to Arduino Nano Pinout
Easy to Understand Guide to Circuit Board Parts
Everything You Need to Know About PCB Annular Rings
DIY Bug Zapper Circuit Projects for Eliminating Insects
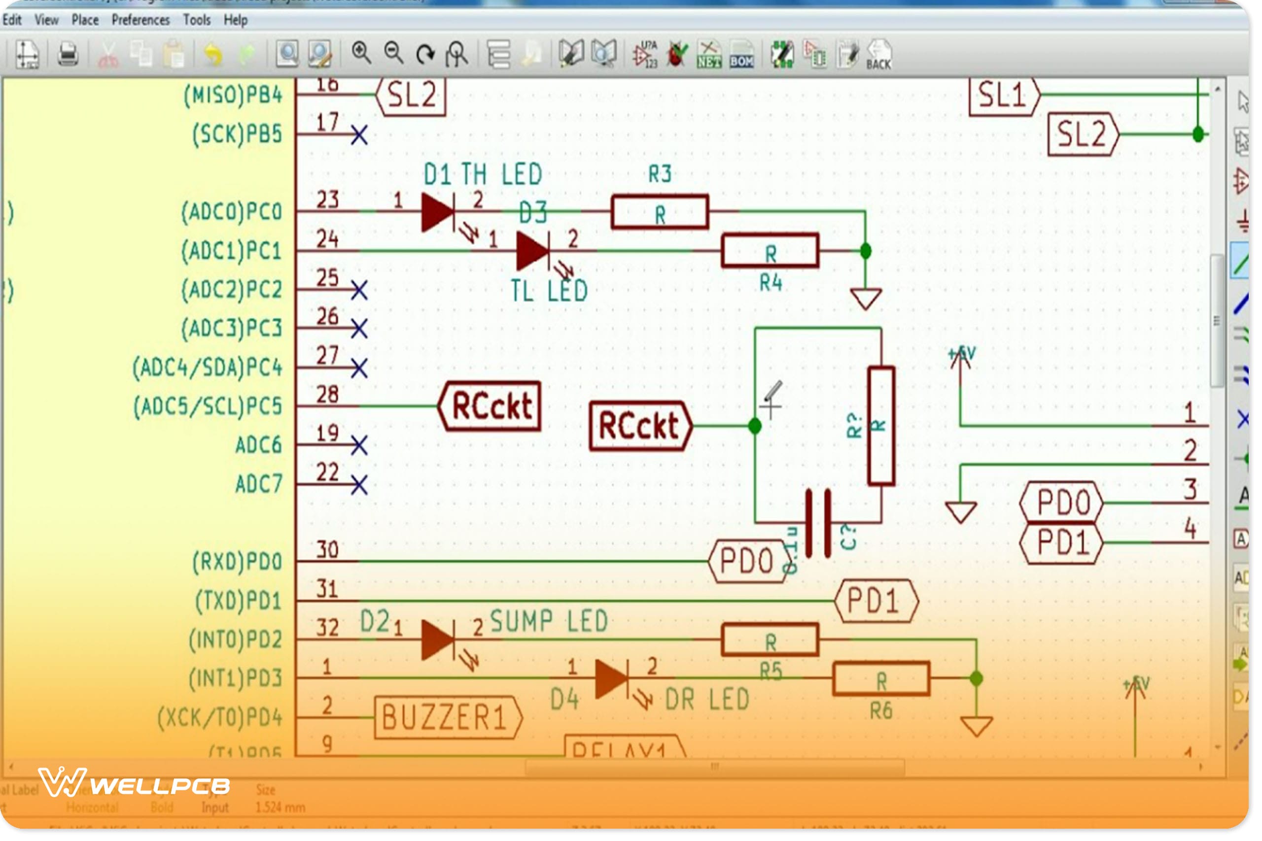
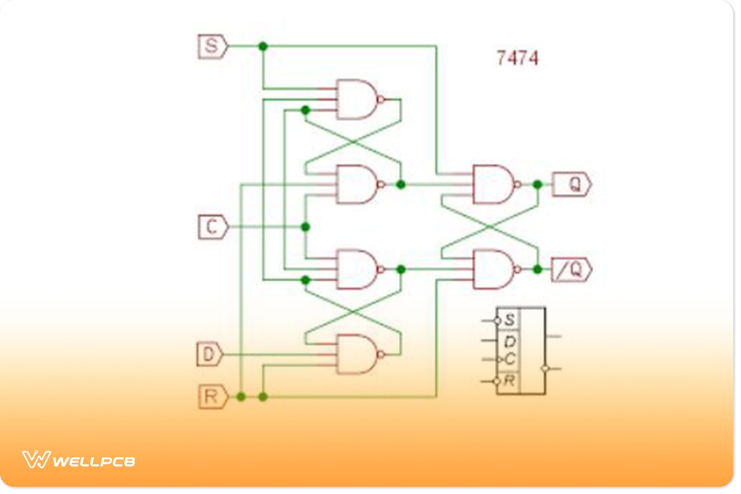
How to Use EasyEDA to design PCB Schematic Step By Step
The Ultimate Guide to Using SD2Vita
Understanding the Differences Between PCB and PCBA
Understanding Solderability Testing for PCBs
Comparing Chip Antenna and PCB Antenna in a Detailed Guide
How to Use the 2N3055 Transistor Features and More
What’s the Difference Between Digital Input and Analog Input
Everything You Need to Know About Variable Power Supplies
How To Use Turnkey PCB Service For Efficient Production
How to Make a Radio Frequency Jammer with This DIY Guide
A Detailed Explanation of the ATMega328P
Exploring the Properties and Uses of FR4 Material
How to Choose the Ultimate Rigid-Flex PCB Manufacturers
How to Produce RoHS 2 Compliant PCB Products
How to Make Electronics That Meet REACH Regulations
What a Pulsing LED Circuit Is and How to Build One
Small Outline Integrated Circuit-How To Choose
PCB Cross-Section Analysis: Technology, Process, and Benefits
How to Master More Skills for Rapid Design
Useful Tips and Procedure Guidance for CCA Electronics
Get an In-Depth Understanding of the MFD Meaning in MFD Capacitors
Everything That You Need To Know About PCBs With Blind Vias
The Ultimate Guide to Understanding 94V-0 Circuit Boards
Eagle PCB Design Full Version Free Download Crack
Understanding the Differences between BGA and LGA Grid Arrays
Why Are Motherboards Green? The Colors and Science Behind PCB Design
Soldering Techniques and Tools: A Comprehensive Guide
A Beginner’s Guide to Fiber Circuit Communication Systems
The Best Ways to Find Faulty Diodes
Demystifying Coin Cell Batteries: CR2025 vs CR2032
The Ultimate Guide to PCB Production Process
What a Barebone PCB Is and How to Use It Updated
Diode Clipping Circuit: A Close Look At Different Types of Clipping Circuits
Guide to Better Sound Quality with Subwoofer Amplifier Circuits
PCB Welding-Methods and Techniques on How to Reduce the Problems
14 Tips on Designing a PCB Programming and Testing Board
Understanding PLCC Packages and How to Use Them
A Complete Guide to STM32 Pinout and Microcontroller
Everything You Need to Know About PCB Thermal Pads
An In-Depth Guide About Black PCBs
Guide to Avoiding Mistakes with LED Polarity in PCB Manufacturing
Your Roadmap to Success with PCB Manufacturability Guidelines
Understanding the PCB Assembly Showdown Between SMT and THT
The Ultimate Guide to Conformal Coating in PCB Manufacturing
Circuit Board Components in PCB Manufacture and Assembly
7 Differences Between FR-4 and Rogers Material
How to Choose from 6 Types of Printed Circuit Boards
The Ultimate Guide to Electronics Manufacturing You Need to Know
The Ultimate Guide to Designing Custom Circuit Boards
The Ultimate Guide to Saving Production with Batched PCBs
What You Should Know About Single-Sided and Double-Sided PCBs
What Is The PCB Thickness Standard?
PCB Etching-Tips And Guides On Etching Your PCB
Comprehensive Guide on Surface Mount Technology (SMT)
USB PCB-How To Solve The Problems You Will Face
PCB Vs. Motherboard: Are They Different?
DIY PCB Board for Beginners
Reducing PCB Cost –Top 7 Tips to Help Save Cost During PCB Manufacturing & Assembly
6 Truths You Need to Know About Bare PCB Manufacturing
Back Drill PCB: What It Is and How to Use It
Wirewound vs Metal Film Resistor: Which is Better?
PCB Drill Sizes-A Remarkable Informative Introducing
Carbon Film Resistor VS Metal Film – How to Tell the Difference
Helping You Optimize the Thermal Profile of Your PCB
Transparent PCB: The New Generation of Flexible Circuit Boards
PCB Overmold: What You Need to Know
Polyimide PCB: Types, Applications, and Benefits
Black Pad: How to Avoid it on your PCB
What is Flux & Why is it so Important?
TQFP vs LQFP: Comprehensive Comparison of Quad Flat Packages
IC Packaging: How Should We Choose Different Types of IC Packaging?
PCB Panelization Design Guidelines
PCB Temperature: A Guide to How to Manage High Temperatures
FFC vs FPC: What’s The Difference Between FFC and FPC?
Masking PCB: How and Why It’s Done
PCB Assembly Express-How To Get A Valuable Service
Consumer Electronics Manufacturing Industry Overview
Flex PCB Manufacturer in China
PCB Manufacturer China: Useful Tips for Selecting One
10 Common PCB Quality Problems You Should Know
The Most Detailed Introduction AOI Inspection(Latest)
One-Stop PCB Assembly Of WellPCB Introducing
PCB Holder for Easy Soldering(Latest)
How To Create A Simple Circuit Board Drawing
PCB Manufacturing Process(Simple and Useful)
Prototype PCB-How To Make It
How to Clean Flux Off PCB: A Comprehensive Guide
Fast Acting Fuse: How It’s Different from a Time Delay Fuse?
Board Stiffener: What It Is and How to Use One
Daisy Chain Routing: What it is and How to Use It
LED splitter: Installing multiple strip lights into one source!
Is Plugging Your Vias Necessary?
AOI Test – What Is Automated Optical Inspection Test?
SMT vs SMD – Ultimate Guide to PCB Assembly Terms
What are AC and DC- What is the difference?
ALU PCB- Aluminum Base PCB Features and Applications
94v0 Circuit Board Diagram- Key Features and Applications
THT vs. SMD – Which Is the Better PCB Assembly Process?
Digital Sensors Examples: All You Need to Know
7 Segment Display Pins- 7 Segment Display Working and Applications
PIC32 vs. STM32: Everything You Need To Know
7812 IC – A Comprehensive Guide
Types of Inverters- Inverter Classifications and Subcategories
Night light circuit – 4 Types of Night Light Circuits
Pcb Antipad: Should You Use It for Your Designs?
Automatic day night on off switch – All you need to know
Li-ion charger circuit- All You need to Know
Resistive Touch Sensor: What It Is and How It Works
Wireless Charger Circuits – A Comprehensive Guide
FM transmitter circuit diagram – Full Illustrations of Various Variations
How to Use an Oscilloscope – A Beginner’s Guide
1n4002 diode- All you need to Know
Micro SD Pinout- Secure Digital Memory Cards Guide
Motion Sensors Circuits – 5 DIY Ways of Building a Motion Detector
Micro amp Meter – Basic Working Principle
NiMH Battery Charger Circuit – Features, Charging, and Working
FR1 PCB: How is it different from FR2, FR3, and FR4 PCBs
DIY Remote Control: How to Build One Easily
Constant Current Source – A Comprehensive Guide on Constructing Different Constant Current Circuit Designs
Do Capacitors Have Polarity – How Will You Tell?
10 Layer PCB Manufacturer: How to Choose the Right One for Your Project
Double Throw Relay – Working, Circuit Diagram, and Usage
Embedded PCB: The Perfect Board for Embedded Systems
Interfacing PN532 with Arduino – Here’s All You Need to Know
Copper Clad PCB – What Is Copper Clad Laminate (CCL)?
OSP PCB: An Effective PCB Surface Finish
Microwave PCB: The Best PCB Design for High Frequencies
8 Layer PCB Manufacturer– Everything You Need to Know
Bluetooth Communication Protocol – The Ultimate Protocol Guide for Learners
Arduino Pro Mini vs Nano – A Comprehensive Comparison
PCB Designs: A Comprehensive Guide to Basic Design Steps and Rules
High Current PCB: The Perfect Board for High Current Applications
433MHz: An All-Inclusive Guide to the Wireless Radio Band
LM324 Circuits: Different Circuits You Can Make with the LM324
k3ng Keyer: Explanation on the Arduino bases Morse Code
Atmega328p vs Atmega328- Features, Differences, and Similarities
PCB Track Width: How to Calculate and Optimize PCB Trace Width
Temperature Controller Circuit: What Makes it Tick?
IR2104: Understanding All About This MOSFET Driver
Platform IO: The Ecosystem Every High-level Professional Needs
LM311 Equivalent: The Ultimate Guide
AT89c51 Microcontroller: Programming, Pinout, Features, and Alternatives
DS18B20 1-Wire Digital Temperature Sensor – Pinout, Features, and Applications
Compute Module: What It Is and Why You Need the Board
TTL vs rs232- Differences, Upsides, and Downsides
6 Layer PCB Manufacturer With Stack up Types
Rk3399: Everything You Need to Know About It
DIY Thermal Imaging Camera: How to build a Less-Expensive One
Ipfire vs Pfsense: Which Firewall Should You Choose?
Types of Transistors: A Comprehensive Guide
AD9850 Module: A detailed Guide
Arduino Speaker: How to Build an Easy One
NFC Antenna: What it is and How it Works
Colpitts Oscillator: Circuit Application and Its Advantages
Micro: Bit Projects: 11 Cool Projects for Beginners
Motionless Electromagnetic Generator: A Guide on Designing a MEG Circuit
CH304G: The Features, Applications, and Schematic
Microwave Sensor: What It Is, Types, & the Working Principle
NOOBS vs Raspbian: What Are the Major Differences Between Them?
Attiny84 Datasheet: Its Pin Configuration and Programming Steps
CD4012: Why This Logic Gate IC is Unique
Uln2003 pinout: A Comprehensive Guide on ULN2003 IC Datasheet
Flexible VS Rigid: The Differences in the Circuit Board Assemblies
MCP6004 Datasheet – A Look Into the Low Power Quad Op-Amp
CD4027- A Complete User Guide
Hc06 Datasheet: Introduction to Pinout, Features, Applications, and Working Principle
Light Detecting Circuits: An Easy Way to Detect Light
CD4013: Basic Guide on Pinout, Application Circuit
Gerber Files: What They Are and How to Create Them
LM350 – A Complete Guide on Voltage Regulation
Capacitive Voltage Divider: An In-depth Guide
Buzzer Datasheet: A Detailed Explanation
TIP31C Pinout: Technical Knowledge of the NPN Transistor
LM7805 Circuit: Voltage Regulator IC Overview
Beat Frequency Oscillator- Principle and Applications
TDA2822- A Complete Guide
LM1875: A Comprehensive Guide on Audio Amplification
HT12D: A Guide on an RF Decoder IC for Remote Control Applications
S-Video to RCA Cables: Getting the Most Out of Your Connections
Tip122 Pinout: Guide to What It is, Features, and How to Use It
7815 voltage regulator: Detailed Guide on How to Use It And More!
Push Button Switch Wiring: What It Is, Features, Types, How It Works, And Applications
BC547: Transistor Explained
DMOS Transistor: Its Capabilities and Structures Explained
AGC Circuit: A Comprehensive Overview
BJT Biasing: Everything You Need to Know
BC558 Transistor: Everything You Need to Know
LM335 Temperature Sensor: Configuration, Specifications, and Applications
CD4066: Features, Working Principle, and Applications
Mg996r: A Brief Introduction into Its Working and Applications
Silicon Circuit Board: Benefits and How to Design One
Phone Circuit: The Basic Components and How It Works
LM7824: Description, Specs, Applications, Pinout
Sg3524 Modulator IC: Pin Configuration, Specifications, And its Application
2600mAh Battery: Working, Specifications, Application Circuit, and Other Useful Knowledge
CD4060: Ultimate Guide for its Circuits, Operation, and More!
Cold Electricity: Ultimate Guide on the Basics
LM723 Circuit: A Detailed Information on the Voltage Regulator
1n4148 Diode Equivalent- All You Need to Know
Different Types of Solder- All Common Classifications
Types of DAC: Basics on Digital to Analog Converter ICS
UC3844: A Complete Guide to Everything you Need to Know
DTV Antennas: Types, Installation, and How to Make One
QFN Packaging: Types, Assembly, and Benefits
LM393: Pinout, Features, Applications, and Working Principle
AMS1117 Pinout: The Best Guide for Beginners
AM Receiver Circuit: Understanding and Building A Simple Project with It
Center-Tapped Transformers: A Brief Introduction into Its Working and Applications
IRFZ44N: A Complete Guide on Using This MOSFET
Crystal Oscillator Circuit: How to Build One
Potentiometer Wiring – Process Simplified
SCR Bt151: A Complete Manual Guide
X Rated Capacitor: How to Use One in a Transformerless Power Supply
Yagi Antenna Design Formula: Understanding its Parasitic Elements and More!
Brushless Motor Wiring: Its Specifications and Complete Guide!
Emitter Follower Circuit: The Basics and How to Create One
Start Stop Circuits- A Brief Introduction Into Its Components, Working, And Control
Low Voltage Cutoff Circuit: The Working Principle and How to Make One
Blocking Oscillators: An Introduction Into its Working, Types, and Uses
2SC2879: Everything you Need to Know and More!
Overvoltage Protection Circuit: Meaning, Types, and DIY Projects Explained
Battery Backup Circuit: A Comprehensive Guide in Making One
Speaker Crossover Wiring Diagram: The Types and How to Build the Network Circuit
Water Detector Circuit- Working Principle and Basics
Notch Filter Design: A Narrow Band Filter for Specific Noise Attenuation
Electronic Circuits for Beginners: The Complete Guide
Homemade Car Alarm: The Benefits and How to Make the Device
RGB LED Controller Circuit: The Working Principle and How to Make One
Relay Drive; Definition, Working Principle, and Application Circuits
Dpdt Relay: The Complete Guide
Metal Detector Circuit: An Introduction Guide
Voltage Doubler: A Cheaper and Lighter Alternative to Transformer-Rectifier Circuits
Input Impedance of Op Amp: What It Is and How to Calculate It
Negative Edge Triggered Flip-Flops: Basic Electronic Knowledge
4047 IC: A Detailed Introduction To A Monostable and Astable Multivibrator
Log Amplifier – All Important Information to Know
LM338 Circuit: Detailed Datasheet and Application Circuits
Transistor Flip Flop: A Sequential Logic Circuit for Storing Binary Data
CD4049: The Features, Applications, and Circuit Diagram
Fish Stunner Circuit Diagram: How it Works and the Simple Build Steps
24v to 12v Converter Circuit: Circuit Diagrams and More
NE5532 Preamp Circuit: Building Different Circuits with This Audio Amplifier IC
Ultrasonic Fogger Circuit: A Start to Finish Guide
Class C amplifiers: A Complete Guide and More!
Heat Sensor Circuit: Operation and How to Build One
556 Circuits: Ultimate Guide for its Operation
Beaglebone Black Pinout: Pin Configuration, Specification, and Application
SPDT Switch Wiring: Everything You Need To Know
Passive Tone Control Circuit: Applications, Design, and Benefits
Air-Core Inductor Design: All You Need to Know
Voltmeter IC: A voltage measuring tool
Trimpot Pinout: Understanding the Features, Uses, and Configuration.
LDO Circuit: The Basics, Working Principle, and Applications
DHT22 Pinout: How it Works and its Application
DIY Ultrasonic Dog Repeller: Keeping Canines Away
MOSFET Protection: How to Properly Protect It
How Does a MOSFET Work: Basic Understanding, Types, and Applications
DIY Logic Probe: Step by Step Guide
Resistor Circuit Diagrams: Understanding Connections and functions
Raspberry Pi Camera Pinout: What It Is and How to Use It
High Current Voltage Regulator: The Definitive Guide
Touch Lamp Circuit: A Comprehensive Guide
Heart Rate Monitor Circuit: A Well-Detailed Guide
Automatic Voltage Regulator Project: Designing and Constructing Your Very Own Circuit
lm386 Amp: Everything You Need to Know
Clapp Oscillator: Circuit Diagram, Frequency, Advantages, and its Applications
Transistor Saturated: What It Is and How to Identify One
Schmitt Trigger: Circuits, Working, and Applications
Clap Switch: An Easy Project for Beginners
Ultrasonic Sensor Circuit: A Complete Guide
Isd1820: A Voice Recorder Module Guide
Audio Circuit Mixer: 5 Ways of Building an Audio Mixer
Ferrite Core Transformer: A Definitive Guide on the Basics
Audio Delay Circuit: Creating Echo and Reverberation Effect in Audio
VFD Schematic: VFD Circuit Diagrams, Types, and How to Build One
FET Test: How It Works and When It’s Needed
Potentiometer Circuit: How They Work and What They Are Used For
USB Pinout Guide: Everything You Need to Know About USB Types and Pinouts (2024)
Arduino Joystick Module: How to Effectively Make One
DIY RFID Reader: How to Make One That Works Effectively
Replace Transistor – How to Make the Best Choice
Alarm Circuit: The Construction and Working Principle
Tachometer Circuit: How it Works and How to Make One
8 Channel Relay: Everything You Need to Know
Types of Inductors: The Ultimate Guide
Bd139 Pinout: The Only Comprehensive Technical Guide You’ll Ever Need
2N3819: The Ultimate Guide
Variable Voltage and Current Power Supply Circuit- High-quality Variable Stable Output
AM Loop Antenna: Everything You Need to Know About It
Neon Lamp Circuit: What Is It and How It Works?
Opamps Hysteresis: The Ultimate Guide
IC 4060: Understanding the Pinout and their Functions
Continuity Tester Circuit: How to Build a Simple Continuity Tester
How to Make a 12 volt Battery: A Short and Clear Guide
How to Make an Arduino Proximity Sensor: Hardware Components and More!
Voice Changer Circuit: Building a Voice Modulator Circuit
AM Radio Schematic: A Guideline on Making Simple Circuit Diagrams
Transformerless Inverter -All You Need to Know
Ripple Carry Adder: Everything You Need to Know
How Does Piezoelectric Work: A Complete Ultimate Guide
Tantalum Capacitor Marking – Understanding the Fundamentals of Capacitor Marking and Types
Refrigerator Alarm: What Is It and How It Works?
Circuits With Free Energy: Is it Possible to Make Free Energy?
DIY ESR Meter: Everything You Should Know About a DIY ESR Meter
Transistor Latch: A Comprehensive Guide That Explains Everything
BJT Load line: A Better Understanding of The Function
Noise Filter Circuit: Improving the Sound on your Listening Device
RTOS vs GPOS: A Complete Guide
Hypersonic Sound System: The Complete Guide for HSS
Varicap Diode: The Ultimate Guide for Electronics Enthusiasts
74LS47: Understanding The 74LS47 Data In Details
Tip120: Basics on TIP120 Transistor
Analog vs. Digital Oscilloscope: What’s The Difference?
555 Oneshot Circuit: Understanding Monostable Designs
Types of Fuses: The Ultimate Guide for Fuses
DIY Digital Analog Converter: The Complete Guide
What Is a MOV: Metal Oxide Varistor Tutorial
Transformerless Power Supply: The General Basics, Working, and Requirements Explained
Varistor Symbols: A Complete Guide On Its Working and Applications
Induction Heater Circuit: Working Principle, Design and Applications of the Work Coil
UPS Circuit: Everything You Need To Know and More
What is SCR: Everything You Need to Know
How to Make a Rectifier: A Detailed Guide
DIY Walkie Talkie: A Complete Step-by-Step Guide
Farady Flashlight: Everything You Need to Know
Test a MOSFET – How to Conduct an Effective Test
Remote Control Car Circuit: Everything You Should Know About It
Volume Control Circuit for Speaker: Step by Step Guide to Enjoy Your Music
How to Build a Radio Repeater: A Complete Guide
Top 6 Methods to Convert Three-Phase to Single-Phase Power: A Step-by-Step Guide
Transistors in Parallel – The Ultimate Guide and Avoiding Mistakes
Transistor vs Resistor: What’s The Difference?
Battery Desulfator Circuit: A perfect solution for battery failure
Taser Circuit – The Best Self-protection Device and How to Build One
DIY Battery Chargers: The Complete Guide
Resistor Values: How to Calculate and Understand It
IC4017: A Beginner’s Complete Guide
Self-Powering Generators: A Must-have Guide for the electronics industry
Timing Delay Circuit: Explaining a Time Delay Circuitry and its Applications!
Inverter Circuit: The Ultimate Guide to Making Circuits at Home
DIY Float Switch: Everything You Need to Know
Flexible Resistor: Everything You Need to Know
PCB Milling: How To Make
A Complete PCB Introduction It’s Here
How To Design A PCB Layout(Helpful)
Power Supply Noise Decoupling in PCB Design
PCB manufacturing
PCB Wiring-How To( Easy Methods)
SMD – The Best Guide to SMDs and the SMT Technology
With the leaps and bounds experienced in this industry, various technologies come in place to manufacture these devices, and the Surface Mount Tech...
PCB Hole Size-How To Drill It-Quickly Review
How To Make The Etching PCBs
Gerber Files Creating with EAGLE (Free Ultimate Advice)
32-Layer Printed Circuit Boards: Techniques, Applications, and Benefits
Photolithography Technology – The Most Useful Introduction
Desoldering and Solder Removal Techniques: The Ultimate Guide
IP20 Devices: Introducing The IP Rating System
Spray Silicone Sealer: Your Right Choice for Electronics Application
Thermal Adhesive: Bonding Electronic Components
LED circuit board: 7 things you need to know
Fiducial PCB: Design and Function
PCB Plating: The Complete Guide of Plating Techniques in PCB
PCB Layers: The Ultimate FAQ Guide
Aluminum PCBs: What Is It and Why You Need It?
8 Special Steps in Rigid-Flex PCB Manufacturing Process
6 Tips for Affordable Small Batch Assembly
A majority of PCB assemblers, especially small-batch manufacturers that are just starting t...
9 Ways to Get BGA Soldering on PCB in SMT Assembly
When it comes to SMT assembly, you may hear of people talking about BGAs or Ball Grid Array...
9 Common PCB Soldering Defects and Solutions
For more than two decades and counting, wave soldering has been relied upon by PCB designers for Read More
Custom PCB Printing-6 Things You Should Pay Special Attention
Printed circuit boards are indispensable units in nearly all electronic products that ...
5 Ways to Order Custom Printed Circuit Board Online
13 Tips and Technology to Know About Printed Circuit Board Assembly
When you see these boards, most people can recognize them. They are green and made of copper, and you can find them in electronics. The assembly pr...
7 Tips to Prepare Printed Circuit Board Assembly Documentation
Upon the completion of the design process, it is essential to give it to the appropriate PCB supplier. Then it is necessary to provide the complete...
10 Things You Need to Know About PCB Assembly Costs
PCB assembly cost include the cost of labor, turnaround time, technology, and the quantity of PCBs needed. Technicians and engineers alike often wo...